Sher-E-Punjab Ind

Dust Proof Self Centring Chucks

Dust Proof Self Centring Chucks

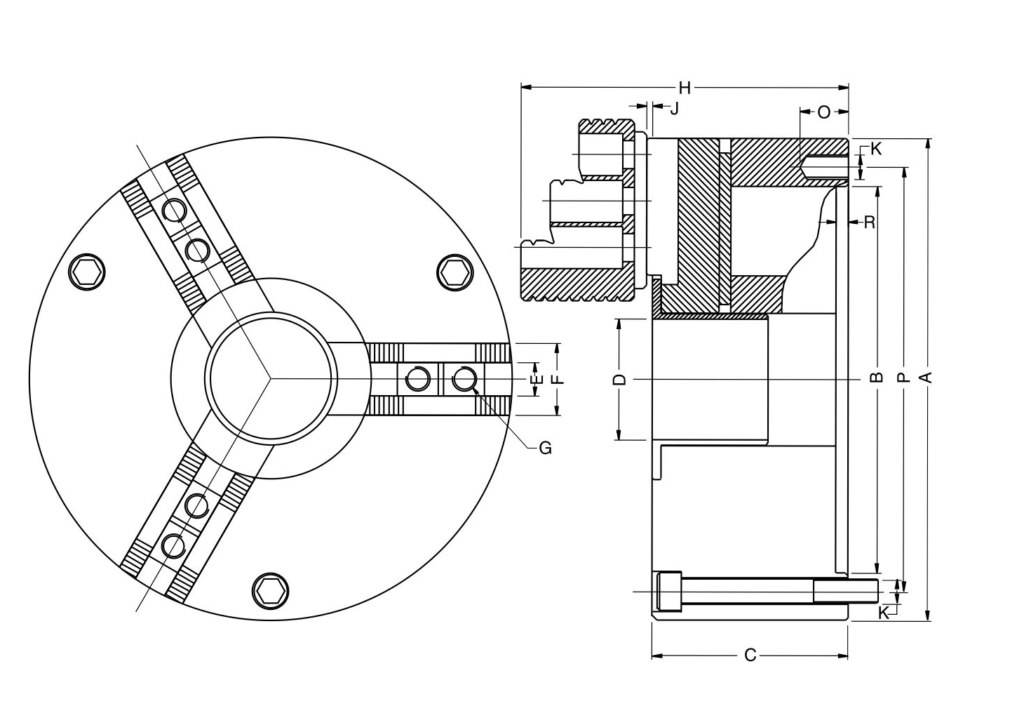
SECO Dust Proof Scroll Operated Self Centering Chuck is the result of continuous Research & Development by our team committed to solve chucking problems. SECO Dust Proof Chucks are boon for mass production workshops where dust causes periodic breakdown in chucks, thus reducing productivity. This new design of scrolloperated self centering chuck has serrated base jaws mountable with reversible Top Hard Jaws or Top Soft Jaws. (Both Top Hard Jaws and Top Soft Jaws are standard accessories with the chuck. The serrated base jaws have a limited movement and are also sealed against any dust entry into the chuck. Therefore the life of the Dust Proof SECO Chucks is increased by 60% and also the loss in productivity because of essential periodic cleaning of chuck is eliminated. This saving in terms of increased productivity and increased life of chuck makes SECO Dust Proof Chuck an indispensable equipment for any mass production workshop. The limitation of limited movement of Base Jaws is overcome by serrations on whichthe Top Jaws can be shifted inward and outward to hold any diameter with in the permissible gripping range of Dust Proof Chucks.
Salient Features:
BODY:
SG Iron body with hardened and ground Body Jaw Ways and Body knob.
SCROLL:
Alloy steel case hardened upto 45 HRc Scroll with ground thread flanks from both sides
JAWS:
Top Hard Jaws and Base Jaws are made of alloy steel, Case Hardened up to 60 HRc. Jaws teeth ground from both sides. Jaws serrations are also ground. PINION: Pinion made of alloy steel Case Hardened up to 50 HRc.
Scroll to Top