Sher-E-Punjab Ind

Accuracy adjustable self centring chucks

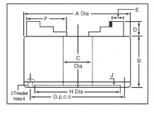
Accuracy Adjustable Self Centring Chucks

Accuracy Adjustable within 0.005 mm. and repeating to within 0.013 mm.
Toolroom Accuracy in Production.
Costly fixtures eliminated.
Inexpensive to install.
Long life due to jaws theeth, scroll threads, body jaw ways, body knob hardened & precision ground

=>FOR APPLICATION ON:
Cylindrical & Intemal Grinders
Tool & Cutter Grinder
Precision Lathes
Dividing Heads

=>JAWS TRUGRIP CHUCKS:,
Soft Metals Gripped firmly withoul undue marking.
Fragile Components such as rings and tubes to be held Securely with Less Pressure and minimum distortion
ADJUSTING PROCEDURE Hold the workpiece in this chuck in normal manner. Slacken the adjusting screws with dual purpose key provided. Place the dial indicator against workpiece and rotate the chuck till lowest reading is obtained. The adjusting screws nearest to low reading is then tightened until gauge needle moves half the total eccentricity reading. The same procedure is repeated till the desired level of concentricity is achieved. All adjusting screws then finally be checked for full tightness. No further adjustment is required for repetitive machining of similar jobs of same dia whichis possible within 0.013 mm accuracy. Always use NOMINATED PINION for reptitive gripping accuracy. LIMITATION: Trugrip Chucks are slightly unbalanced due to adjustment feature and may cause spindle vibration at high speed.
Scroll to Top